电池知识
锂离子、磷酸铁锂、锰酸锂、新能源
电池知识
锂离子、磷酸铁锂、锰酸锂、新能源
正激式变压器开关电源工作原理
正激式变压器开关电源输出电压的瞬态控制特性和输出电压负载特性,相对来说比较好,因此,工作比较稳定,输出电压不容易萌生抖动,在一些对输出电压参数要求比较高的场合,常常使用。

1-6-1.正激式变压器开关电源工作原理
所谓正激式变压器开关电源,是指当变压器的初级线圈正在被直流电压激励时,变压器的次级线圈正好有功率输出。
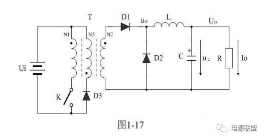
图1-17是正激式变压器开关电源的简单工作原理图,图1-17中Ui是开关电源的输入电压,T是开关变压器,K是控制开关,L是储能滤波电感,C是储能滤波电容,D2是续流二极管,D3是削反峰二极管,R是负载电阻。
在图1-17中,需要特别留意的是开关变压器初、次级线圈的同名端。如果把开关变压器初线圈或次级线圈的同名端弄反,图1-17就不再是正激式变压器开关电源了。
我们从(1-76)和(1-77)两式可知,改变控制开关K的占空比D,只能改变输出电压(图1-16-b中正半周)的均匀值Ua,而输出电压的幅值Up不变。因此,正激式变压器开关电源用于稳压电源,只能采用电压均匀值输出方式。
图1-17中,储能滤波电感L和储能滤波电容C,还有续流二极管D2,就是电压均匀值输出滤波电路。其工作原理与图1-2的串联式开关电源电压滤波输出电路完全相同,这里不再赘述。关于电压均匀值输出滤波电路的具体工作原理,请参看“1-2.串联式开关电源”部分中的“串联式开关电源电压滤波输出电路”内容。
正激式变压器开关电源有一个最大的缺点,就是在控制开关K关断的瞬间开关电源变压器的初、次线圈绕组都会萌生很高的反电动势,这个反电动势是由流过变压器初线圈绕组的励磁电流存储的磁能量萌生的。因此,在图1-17中,为了戒备在控制开关K关断瞬间萌生反电动势击穿开关器件,在开关电源变压器中增加一个反电动势能量吸收反馈线圈N3绕组,以及增加了一个削反峰二极管D3。
反馈线圈N3绕组和削反峰二极管D3对于正激式变压器开关电源是十分必要的,一方面,反馈线圈N3绕组萌生的感应电动势通过二极管D3可以对反电动势进行限幅,并把限幅能量返回给电源,对电源进行充电;另一方面,流过反馈线圈N3绕组中的电流萌生的磁场可以使变压器的铁心退磁,使变压器铁心中的磁场强度恢复到初始状态。
由于控制开关猛然关断,流过变压器初级线圈的励磁电流猛然为0,此时,流过反馈线圈N3绕组中的电流正好接替原来励磁电流的作用,使变压器铁心中的磁感应强度由最大值Bm返回到剩磁所对应的磁感应强度Br位置,即:流过反馈线圈N3绕组中电流是由最大值逐步变化到0的。由此可知,反馈线圈N3绕组萌生的感应电动势在对电源进行充电的同时,流过反馈线圈N3绕组中的电流也在对变压器铁心进行退磁。

图1-18是图1-17中正激式变压器开关电源中几个关键点的电压、电流波形图。图1-18-a)是变压器次级线圈N2绕组整流输出电压波形,图1-18-b)是变压器次级线圈N3绕组整流输出电压波形,图1-18-c)是流过变压器初级线圈N1绕组和次级线圈N3绕组的电流波形。
图1-17中,在Ton期间,控制开关K接通,输入电源Ui对变压器初级线圈N1绕组加电,初级线圈N1绕组有电流i1流过,在N1两端萌生自感电动势的同时,在变压器次级线圈N2绕组的两端也同时萌生感应电动势,并向负载提供输出电压。开关变压器次级线圈输出电压大小由(1-63)、(1-69)、(1-76)、(1-77)等式给出,电压输出波形如图1-18-a)。
图1-18-c)是流过变压器初级线圈电流i1的波形。流过正激式开关电源变压器的电流与流过电感线圈的电流不同,流过正激式开关电源变压器中的电流有突变,而流过电感线圈的电流不能突变。因此,在控制开关K接通瞬间流过正激式开关电源变压器的电流立刻就可以达到某个稳定值,这个稳定电流值是与变压器次级线圈电流大小相关的。如果我们把这个电流记为i10,变压器次级线圈电流为i2,那么就是:i10=ni2,其中n为变压器次级电压与初级电压比。
另外,流过正激式开关电源变压器的电流i1除了i10之外还有一个励磁电流,我们把励磁电流记为?i1。从图1-18-c)中可以看出,?i1就是i1中随着时间线性增长的部份,励磁电流?i1由下式给出:
?i1=Ui*t/L1——K接通期间(1-80)
当控制开关K由接通猛然转为关断瞬间,流过变压器初级线圈的电流i1猛然为0,由于变压器铁心中的磁通量ф不能突变,非得要求流过变压器次级线圈回路的电流也跟着突变,以抵消变压器初级线圈电流突变的影响,要么,在变压器初级线圈回路中将出现非常高的反电动势电压,把控制开关或变压器击穿。
如果变压器铁心中的磁通萌生突变,变压器的初、次级线圈就会萌生无限高的反电动势,反电动势又会萌生无限大的电流,而电流又会抵制磁通的变化,因此,变压器铁心中的磁通变化,最终还是要受到变压器初、次级线圈中的电流来约束的。
因此,控制开关K由接通状态猛然转为关断,变压器初级线圈回路中的电流猛然为0时,变压器次级线圈回路中的电流i2一定正好等于控制开关K接通期间的电流i2(Ton+),与变压器初级线圈励磁电流?i1被折算到变压器次级线圈的电流之和。但由于变压器初级线圈中励磁电流?i1被折算到变压器次级线圈的电流?i1/n的方向与原来变压器次级线圈的电流i2(Ton+)的方向是相反的,整流二极管D1对电流?i1/n并不导通,因此,电流?i1/n只能通过变压器次级线圈N3绕组萌生的反电动势,经整流二极管D3向输入电压Ui进行反充电。
在Ton期间,由于开关电源变压器的电流的i10等于0,变压器次级线圈N2绕组回路中的电流i2自然也等于0,所以,流过变压器次级线圈N3绕组中的电流,惟有变压器初级线圈中励磁电流?i1被折算到变压器次级线圈N3绕组回路中的电流i3(等于?i1/n),这个电流的大小是随着时间下降的。
一般正激式开关电源变压器的初级线圈匝数与次级反电动势能量吸收反馈线圈N3绕组的匝数是相等的,即:初、次级线圈匝数比为:1:1,因此,?i1=i3。图1-18-c)中,i3用虚线表示。
图1-18-b)正激式开关电源变压器次级反电动势能量吸收反馈线圈N3绕组的电压波形。这里取变压器初、次级线圈匝数比为:1:1,因此,当次级线圈N3绕组萌生的反电动势电压超过输入电压Ui时,整流二极管D3就导通,反电动势电压就被输入电压Ui和整流二极管D3进行限幅,并把限幅时流过整流二极管的电流送回供电回路对电源或储能滤波电容进行充电。
精确计算电流i3的大小,可以依据(1-80)式以及下面方程式求得,当控制开关K
封闭时:
e3=-L3*di/dt=-Ui——K接通期间(1-81)
i3=-(Ui*Ton/nL1)-Ui*t/L3——K关断期间(1-82)
上式中右边的第一项就是流过变压器初级线圈N1绕组中的最大励磁电流被折算到次级线圈N3绕组中的电流,第二项是i3中随着时间变化的分量。其中n为变压器次级线圈与初级线圈的变压比。值得留意的是,变压器初、次级线圈的电感量不是与线圈匝数N成正比,而是与线圈匝数N2成正比。由(1-82)式可以看出,变压器次级线圈N3绕组的匝数增多,即:L3电感量增大,变压器次级线圈N3绕组的电流i3就变小,并且容易出现断流,说明反电动势的能量容易释放完。
因此,变压器次级线圈N3绕组匝数与变压器初级线圈N1绕组匝数之比n最好大于一或等于一。
当N1等于N3时,即:L1等于L3时,上式可以变为:
i3=Ui(Ton-t)/L3——K接通期间(1-83)
(1-83)式声明,当变压器初级线圈N1绕组的匝数与次级线圈N3绕组的匝数相等时,如果控制开关的占空比D小于0.5,电流i3是不连续的;如果占空比D等于0.5,电流i3为临界连续;如果占空比D大于0.5,电流i3为连续电流。
这里顺便说明,在图1-17中,最好在整流二极管D1的两端并联一个高频电容(图中未画出)。其好处一方面可以吸收当控制开关K关断瞬间变压器次级线圈萌生的高压反电动势能量,戒备整流二极管D1击穿;另一方面,电容吸收的能量在下半周整流二极管D1还没导通前,它会通过放电(与输出电压串联)的形式向负载提供能量。这个并联电容不但可以提高电源的输出电压(相当于倍压整流的作用),还可以大大地减小整流二极管D1的损耗,提高工作效率。同时,它还会降低反电动势的电压上升率,对降低电磁辐射有好处。
声明: 本站所发布文章部分图片和内容自于互联网,如有侵权请联系删除